FP系列电厂用铁壳电量变送器型号:FPA/FPV/FPW/FPK等
更新时间:2026年03月01日,不同批次,FPWH有功电能变送器外观及包装或许略有不同,出厂前均经过严格检测。
FPWH201:三相三线有功电能变送器,FPWH301:三相四线有功电能变送器。
FPWH有功电能变送器、FPKH无功电能变送器是一种测量有功/无功电能的仪器,FPWWH型有功功率/有功电能、FPKKH型无功功率/无功电能组合式变送器是一种既能测量有功(或无功)功率,又能计量有功(或无功)电能的具有双重功能的仪器,是电能计量、节能自动化和计算机电费结算的配套仪器。
FP系列电能变送器技术指标符合JJG 596-89《电子式电能表》的要求,相对误差小于0.5%,且具有优异的温度特性和长期稳定性,配以电能显示记录装置,既能用于电网调度系统,又是理想的固态电能表。
FPWH有功电能变送器适用于频率为50Hz、60Hz及特殊频率的单相、三相(平衡负载和不平衡负载)线路,电能以光耦集电极开路或继电器接点二种形式脉冲输出,以适应不同的RTU和电能记录装置。数字量输出与输入被测量的有功(或无功)电能相对应,输出引线是四根线,双向数字输出正、负两个方向的电能量。
◆ 引用标准:GB/T 13850-1998(IEC688-1992)
◆ 准确度等级:0.2%
◆ 长期稳定度:≤±0.2%/年,无累计误差
◆ 温度影响:≤100ppm/℃
◆ 响应时间:<400ms
◆ 输出纹波:<0.4% (峰-峰值)
◆ 输入功耗:电流<0.2VA,电压<0.1VA
◆ 工作频率:标称频率±10%
◆ 输出负载:
·电流输出 额定10V压降 ***大15V压降(可选)
·电压输出 额定2mA***大 5mA输出
◆ 输出负载影响:<0.1% (额定负载范围内)
◆ 辅助电源:额定电压 80%-120% 额定频率 90%-110%
◆ 允许过量输入:
·电流 3倍连续 10倍30秒 50倍1秒,
·电压 ***大2倍连续
◆ 电压试验:输入/输出/电源与外壳之间2kV AC 1min IEC688
◆ 冲击试验:ANSI C37.90a/1973,IEC 255-4(5kV 1.2/50us脉冲电压)
◆ 校正幅度:满度***小±3%,零点***小±1%
◆ 磁场影响:0.4kA/m 磁场强度变化<0.05%
◆ 工作条件:温度-10~55℃ 相对湿度 ≤95% 无凝露
◆ 贮藏条件:温度-40~70℃ 相对湿度 ≤95% 无凝露

注:
·90°移相无功功率变送器频率范围 Fn±0.05Hz;
·电能输出为光耦集电极开路(OC)方式,(不推荐使用 继电器触点方式);
·电源功耗7VA。

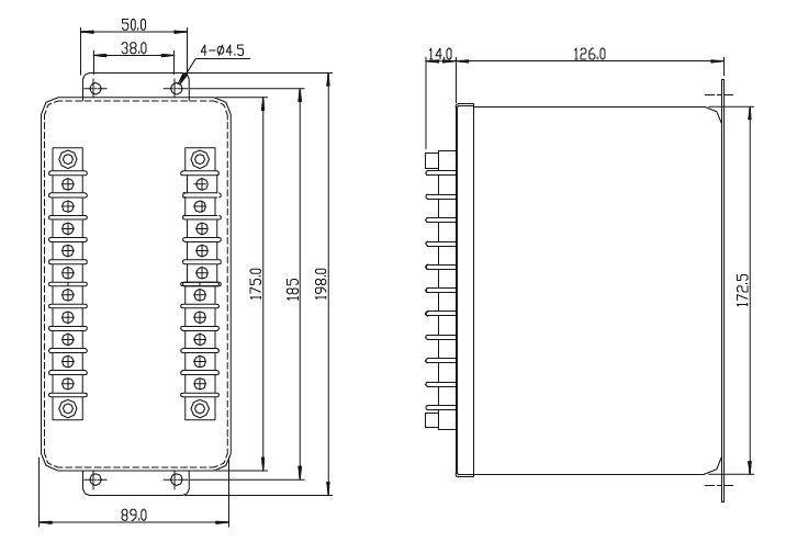
FPWH有功电能变送器铁壳电厂用